x

Заказ обратного звонка

Ваше имя (*)

Контактный телефон (*)

Комментарий

(383) 280-43-61
заказать обратный звонок
x

Запись на установку

ФИО*

Телефон*

E-mail (для получения копии заявки)


Марка автомобиля

Желаемая дата установки

Желаемый салон установки

Комментарий

Закрыть
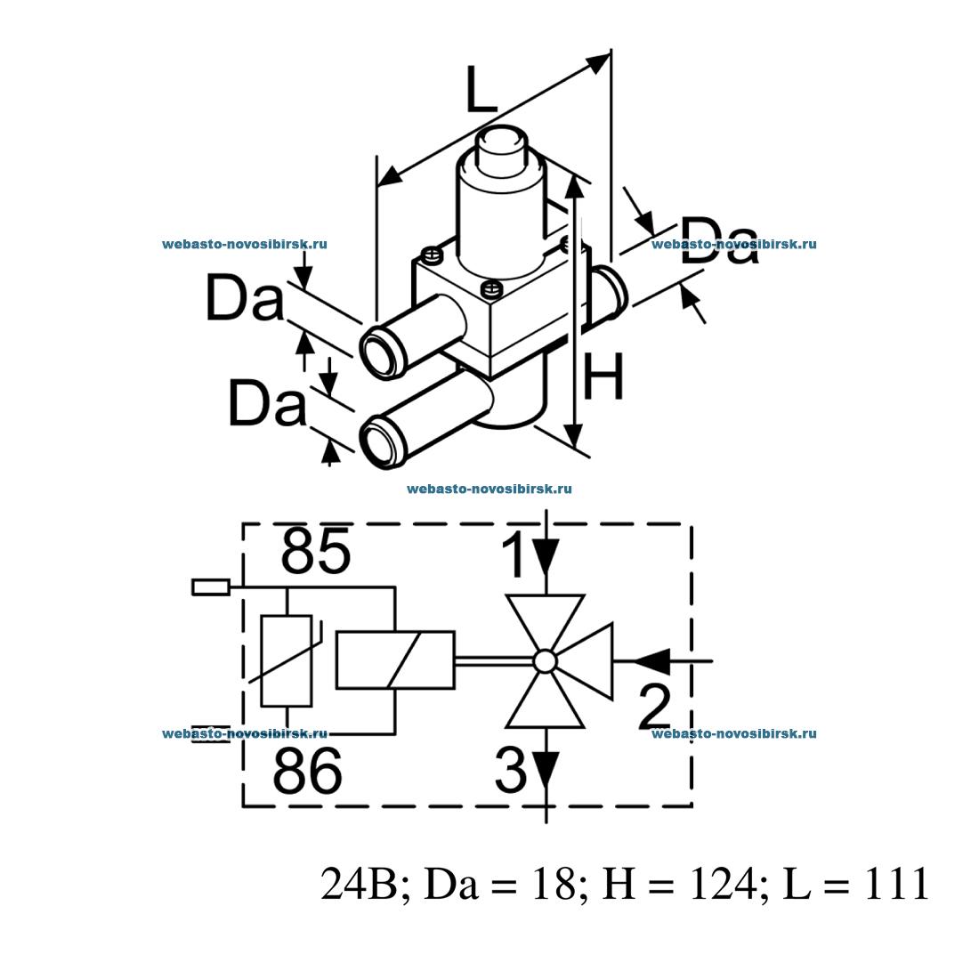
Электромагнитный клапан | Артикул: 89662A
Электромагнитный клапан | Артикул: 89662A

Электромагнитный клапан

Электромагнитный клапан, 89662A
Электромагнитный клапан | Артикул: 89662A
Артикул

89662A

ПроизводительWebasto
КоллекцияSP Thermo
Ссылки
Подходит для:Графический каталог:
Аксессуары для ThermoTopE/C/Z
Аксессуары для Thermo 50
Аксессуары для Thermo90/S/ST
Аксессуары для DBW2010/2016
КомментарийВНИМАНИЕ! Цена может отличаться!
С электрическими монтажными компонентами. Пластиковый корпус. 2-3 без управляющего сигнала на контакте 86. 1-3 при наличии управляющего сигнала на контакте 86

Цена: Уточняйте по телефону



Добавить в корзину

Электромагнитный клапан - предназначается для замены вышедшей из строя запасной части Webasto (Вебасто) с артикулом (89662A).

Оставаясь на сайте, я даю согласие на использование cookies и согласен с политикой конфиденциальности.